Bộ truyền động van điện DZW Multi Turn

Bộ truyền động van điện DZW Series là một thế hệ sản phẩm mới được phát triển độc lập bởi công ty của chúng tôi dựa trên các sản phẩm trưởng thành ban đầu, giúp cải thiện và hoàn thiện cấu trúc, tối ưu hóa hiệu suất bảo vệ và các thành phần chính. Nó có những ưu điểm của cấu trúc nhỏ gọn, kích thước nhỏ, ngoại hình đẹp, hiệu suất ổn định và đáng tin cậy. Mức độ bảo vệ tốt có thể đáp ứng nhu cầu của các thiết kế khác nhau: loại tắt tích phân chống nổ, loại điều chế tích hợp.
Các sản phẩm của DZW Series được sử dụng để kiểm soát việc mở và đóng các van. Nó phù hợp cho các van cổng, van quả cầu, van tắt, van cơ hoành và các sản phẩm phái sinh của nó có thể được sử dụng cho van bóng, van bướm và bộ giảm chấn, v.v.
Các tính năng của bộ truyền động điện
Bộ truyền động van điện này có các tính năng sau:
• Xây dựng nhỏ gọn và mạnh mẽ, nhẹ.
• Phạm vi biến đổi mô-men xoắn rộng (nhiều lượt: 100-3500nm).
• Vỏ nhôm anod hóa cứng bên trong và bên ngoài với lớp phủ sơn nhiệt độ cao bên ngoài để sử dụng chống lại môi trường công nghiệp nghiêm trọng.
• Bao vây sử dụng các con dấu xuyên tâm & vòng chữ O cung cấp bảo vệ IP67 không thấm nước và Watertight LP68 tùy chọn.
• Tiêu chuẩn LSO5211.
• Nó tự động xác định và sửa các giai đoạn. Bảo vệ lỗi pha tự động bảo vệ an toàn thiết bị.
• Hệ thống cảm biến mô -men xoắn cơ học đáng tin cậy cung cấp hoạt động an toàn trong điều kiện quá tải.
• Cửa sổ và chỉ báo kích thước lớn cung cấp chỉ báo vị trí tốt hơn từ xa.
• Số lượng tùy chọn kiểm soát vị trí địa phương để cung cấp vận hành và vận hành thực địa dễ dàng.
Thông số kỹ thuật
Cung cấp năng lượng thông thường: 380V/220VAC
Tín hiệu điều khiển: Đầu vào tương tự 4 ~ 20mA, tương thích với điều khiển từ xa PLC
Phạm vi nhiệt độ: -40c +80 C (hỗ trợ mô hình đặc biệt -40c +540 C)
Lớp bảo vệ: IP67
Áp lực danh nghĩa: PN2.5-300 (loại áp suất cao hỗ trợ con dấu tự chuẩn áp áp lực)
Đường kính áp dụng: DN15-1800mm (thích hợp cho các đường ống công nghiệp khác nhau)
Loại thiết bị truyền động: Bộ truyền động điện thông minh DZW
Thời gian mở và đóng: Chu kỳ mở và đóng mô hình thông thường nhỏ hơn hoặc bằng 10 phút (nhỏ hơn hoặc bằng 30 phút cho các mô hình đặc biệt)
Phương tiện áp dụng: Nước, hơi nước, dầu, môi trường oxy hóa mạnh (như axit nitric), khí chứa bụi như urê, chất lỏng hóa học ăn mòn (cần chọn thân van của vật liệu tương ứng)
Mô-đun hiển thị: Giao diện toàn bộ LCD, Hỗ trợ gỡ lỗi không xâm lấn và điều khiển từ xa hồng ngoại
Chức năng bảo vệ: Bảo vệ mất pha, điều chỉnh trình tự pha tự động, tắt quá tải
Đèn pin sử dụng kép: Trong trường hợp khẩn cấp, tay cầm có thể được chuyển sang hoạt động thủ công
Giao diện từ xa: Giao thức RS485/Modbus tiêu chuẩn (được hỗ trợ bởi một số mô hình)
Cấu trúc sản phẩm


1. Hộp đầu cuối
Hộp đầu cuối kín độc lập đảm bảo tính toàn vẹn niêm phong của phần điện của bộ truyền động điện khi thực hiện hệ thống dây điện tại chỗ và đáp ứng các yêu cầu chống nổ sản phẩm.
2. Cấu trúc niêm phong
Bộ truyền động áp dụng một cấu trúc thiết kế niêm phong kép để đảm bảo rằng bộ truyền động hoàn toàn không thấm nước và chống bụi; Lớp bảo vệ sản phẩm tiêu chuẩn là IP67 và lớp cao nhất có thể đạt IP68.
3. Truyền năng lượng
Việc truyền năng lượng của bộ truyền động sử dụng cơ chế khử chính xác bao gồm một bánh răng hợp kim bằng đồng và một con sâu bằng thép hợp kim. Thiết bị sâu và sâu chạy riêng biệt trong dầu mỡ, phù hợp với nhiệt độ môi trường tối đa khác nhau và tối đa hóa tuổi thọ dịch vụ.
4. Giao diện đầu ra
Mặt bích của bộ truyền động tuân thủ các tiêu chuẩn ISO5210/5211 (GB12222/12223) và cũng cung cấp các giao diện mặt bích tuân thủ các tiêu chuẩn JB2920 và nó có thể được tùy chỉnh đặc biệt theo yêu cầu của khách hàng.
5. Chống ăn mòn vỏ
Bề mặt bên ngoài của bộ truyền động được sơn bằng sơn hợp kim nhôm đặc biệt với màng sơn cứng và độ bám dính mạnh mẽ. Nó có khả năng chống tia cực tím mạnh, kháng ăn mòn và đầy đủ, có thể cải thiện toàn diện tuổi thọ dịch vụ và các đặc tính tự làm sạch của lớp phủ và phù hợp cho các môi trường sản xuất khắc nghiệt khác nhau.
6. Động cơ
Động cơ áp dụng quán tính thấp và động cơ mô-men xoắn cao, có thể nhanh chóng đạt đến mô-men xoắn cực đại sau khi động cơ bắt đầu, và hầu như không có chuyển động quá giới hạn khi không kích thích; Có một cảm biến nhiệt độ chính xác trong động cơ và giới hạn quá nhiệt độ được đặt thông qua hệ thống điều khiển để tránh thiệt hại do quá nóng động cơ.
7. Giao diện LCD
Giao diện LCD có thể hiển thị thông tin văn bản, các yếu tố đồ họa và đặc điểm bộ truyền động.
8. Lựa chọn chế độ điều khiển
Công tắc chọn lọc "Remote"-"Dừng"-"cục bộ" được cài đặt trên thiết bị vận hành cục bộ có thể được sử dụng để thiết lập hoạt động từ xa (điều khiển từ xa) hoặc hoạt động cục bộ (điều khiển cục bộ) hoặc chế độ dừng . 9. Hoạt động điện cục bộ Công tắc vận hành "mở"-"Đóng" được cài đặt trên thiết bị vận hành cục bộ có thể được sử dụng để mở hoặc đóng ứng dụng cục bộ.

Thông số kỹ thuật tiêu chuẩn
|
Lớp bảo vệ |
IP67 tiêu chuẩn |
|
Cung cấp điện |
Ba pha AC380V --- 460V 50/60Hz pha: AC110V-AC220V DC24V AC24V 50/60Hz |
|
Chu kỳ nhiệm vụ (bật tắt) |
S2-15 phút |
|
Chu kỳ nhiệm vụ (điều chế) |
S4, 25% |
|
Lớp cách nhiệt |
F |
|
Phương pháp kiểm soát |
Điều khiển cục bộ/DCS/FCS (Hệ thống điều khiển FieldBus) |
|
Bảo vệ động cơ |
Quá nóng/quá tải và bảo vệ phanh điện tử/ngắn ngủ ngắn/tức thời |
|
Bảo vệ mô -men xoắn |
Mô -men cơ học/Bảo vệ mô -men xoắn điện tử |
|
Bảo vệ kẹt |
Bảo vệ quá nhiệt tích tụ |
|
Lỗi lặp lại |
Nhỏ hơn hoặc bằng ± 1% |
|
Giới hạn lỗi cơ bản |
Ít hơn hoặc bằng 1% |
|
Cài đặt vùng chết |
0,1% -9,9% điều chỉnh |
|
Lớp phủ bên ngoài |
Sơn nhiệt độ cao |
|
Nhiệt độ môi trường |
Tiêu chuẩn: -20-+60 độ tùy chọn: -40-+70 độ |
|
Độ ẩm xung quanh |
90%rh tối đa (không có áp suất) |
|
Lớp chống nổ |
Exdi, Exdib II BT4, Exdib II CT4 (IECEX/ATEX) |
|
Chức năng |
Cửa sổ hiển thị Trung Quốc / tiếng Anh LCD và chức năng hoạt động cục bộ Trình tự pha tự xác định và bảo vệ ngắt pha Cài đặt và kiểm soát hồng ngoại Công nghệ tự chẩn đoán lỗi Modbus RTU, Profidbus DP, Hart, FF, Devicene (Tùy chọn) |
|
Tín hiệu |
A: Tiếp xúc khô thụ động từ xa, Tín hiệu xung ngắn (Inching) B: Tiếp xúc khô thụ động từ xa, Tín hiệu xung dài (giữ) C: Tín hiệu DC24V hoạt động D: Tín hiệu AC220V hoạt động E: Tín hiệu DC4-20MA từ xa |
|
Tín hiệu phản hồi |
A: Mở, Đóng, Tín hiệu dừng B: Tín hiệu lỗi C: Tín hiệu vị trí van (DC4-20MA, DC1-5V, DC0-10V) D: Tín hiệu điều khiển từ xa |
Điện và điều khiển
Phương pháp kiểm soát
Kiểm soát cục bộ: Nút Opera tion, Hoạt động Setter hồng ngoại
DCS
Điều khiển chuyển đổi từ xa: Tiếp xúc khô thụ động, DC24V
Điều khiển tương tự từ xa: DC4-20MA
Điều khiển ESD
Kiểm soát hoạt động không liên tục
Kiểm soát hai dây
FCS (Hệ thống điều khiển FieldBus)
Tín hiệu đầu ra
Loại bật tắt
6 bộ đầu ra tín hiệu liên hệ cố định, các tiếp điểm có thể xác định tùy chọn
Tùy chỉnh đặc biệt: Đầu ra tín hiệu tiếp xúc 4 điểm có thể mở rộng
Loại xe buýt
Loại điều chế
6 bộ đầu ra tín hiệu liên hệ cố định, các tiếp điểm có thể xác định tùy chọn
Phản hồi tương tự: DC 4-20MA

Chức năng điều khiển xe buýt:
Mô -đun truyền thông áp dụng một cấu trúc độc lập kết hợp trên bảng chính để đáp ứng nhu cầu của các phương tiện truyền thông khác nhau và các hệ thống giao thức truyền thông khác nhau. Các giao thức truyền thông được hỗ trợ hiện đang được hỗ trợ bao gồm Modbus RTU, Profibus-DP V0/DP V1, HART, FF, Devicene (Tùy chọn).
Chức năng điều khiển từ xa hồng ngoại:
Bộ truyền động sử dụng công nghệ điều khiển từ xa hồng ngoại tiên tiến, cho phép đối thoại với máy thông qua cửa sổ đối thoại kín mà không cần mở nắp bộ truyền động. Ngay cả trong các tình huống nguy hiểm, điều khiển từ xa an toàn nội tại có thể thực hiện cài đặt tham số một cách an toàn và hoạt động từ xa của bộ truyền động.
Đo lường và bảo vệ mô -men xoắn chính xác
Hệ thống đo mô-men xoắn được thiết kế chuyên nghiệp để đảm bảo bảo vệ quá tải của bộ truyền động và giám sát thời gian thực các thay đổi mô-men xoắn van:
(Cấu hình tiêu chuẩn)Đo mô -men xoắn cơ học: Cơ chế kích hoạt mô -men xoắn cơ học truyền thống có những ưu điểm của sự trưởng thành, ổn định và độ tin cậy. Chúng tôi đã tối ưu hóa và nâng cấp nó dựa trên mô -men xoắn ban đầu, làm cho thiết bị mô -men xoắn nhạy cảm hơn và tuổi thọ của nó được cải thiện rất nhiều.
(Không bắt buộc)Đo mô-men xoắn điện tử: Bằng cách phát hiện dòng điện thời gian thực, điện áp và từ tính của động cơ và làm việc với vi điều khiển để tính toán toàn diện, mô-men xoắn đầu ra chính xác thu được và đo được liên tục; Hệ thống này không cần phải xem xét hao mòn cơ học, giúp cải thiện độ tin cậy của hệ thống.
Đo lường và bảo vệ động cơ
Quá nóng: Khi nhiệt độ động cơ vượt quá giá trị bảo vệ quá nhiệt đã đặt, động cơ sẽ bị cấm chạy và thông báo báo động quá nhiệt của động cơ được hiển thị. Quá tải và ngắn mạch: Mạch được thiết kế với chip chuyển đổi điện áp chính xác của ADI để đáp ứng phép đo chính xác của một loạt các thay đổi hiện tại; Các đặc điểm chống trễ quá tải và bảo vệ ngắn mạch đáp ứng các tiêu chuẩn liên quan.
Bảo vệ ngược tức thời: Sử dụng công nghệ điều khiển độ trễ đảo ngược tức thời, khi bộ truyền động nhận được tín hiệu hoạt động ngược trong quá trình hoạt động, hệ thống điều khiển sẽ tắt trước và sau đó thực hiện hành động ngược lại sau khi trì hoãn để ngăn chặn thiệt hại cho các bộ phận truyền cơ học.
Phanh điện tử: Bộ truyền động điện điều chế đảm bảo rằng van dừng ở vị trí van đặt thông qua thiết lập vùng chết và phanh điện tử.
Tấm kết nối

Vận mạnh

Dữ liệu kỹ thuật
|
Người mẫu |
Mô -men xoắn |
Xoay tốc độ (RPM) |
Động cơ điện (Kw) |
Dòng điện được xếp hạng (a) |
Tỷ lệ thủ công |
Thân tối đa đường kính (mm) |
Cân nặng (Kg) |
|
Fryz10 |
100 |
18 |
0.25 |
1.6 |
1:80 |
28 |
25 |
|
24 |
0.25 |
1.9 |
1:60 |
||||
|
36 |
0.37 |
2.2 |
1:40 |
||||
|
48 |
0.55 |
2.8 |
1:30 |
||||
|
72 |
0.75 |
4.1 |
1:40 |
||||
|
96 |
1.1 |
6.5 |
1:30 |
||||
|
Fryz15 |
150 |
18 |
0.37 |
2.2 |
1:80 |
28 |
28 |
|
24 |
0.37 |
2.5 |
1:60 |
||||
|
36 |
0.55 |
2.8 |
1:40 |
||||
|
48 |
0.55 |
3.1 |
1:30 |
||||
|
72 |
1.1 |
6.5 |
1:40 |
||||
|
96 |
1.5 |
7.9 |
1:30 |
||||
|
Fryz20 |
200 |
18 |
0.55 |
2.8 |
1:80 |
40 |
30 |
|
24 |
0.55 |
3.1 |
1:60 |
||||
|
36 |
0.75 |
4.1 |
1:40 |
||||
|
48 |
0.75 |
4.7 |
1:30 |
||||
|
72 |
1.5 |
7.9 |
1:40 |
||||
|
96 |
2.2 |
12.6 |
1:30 |
||||
|
Fryz30 |
300 |
18 |
0.55 |
2.8 |
1:80 |
40 |
31 |
|
24 |
0.75 |
4.1 |
1:60 |
||||
|
36 |
1.1 |
6.5 |
1:40 |
||||
|
48 |
1.1 |
7.2 |
1:30 |
||||
|
72 |
2.2 |
12.6 |
1:40 |
||||
|
Fryz45 |
450 |
24 |
1.1 |
6.5 |
1:60 |
48 |
47 |
|
36 |
1.5 |
7.9 |
1:40 |
||||
|
48 |
2.2 |
12.6 |
1:30 |
||||
|
72 |
3 |
13.5 |
1:40 |
||||
|
Fryz60 |
600 |
24 |
1.5 |
7.9 |
1:60 |
48 |
50 |
|
36 |
2.2 |
12.6 |
1:40 |
||||
|
48 |
2.2 |
13.1 |
1:30 |
||||
|
72 |
4.0 |
15.2 |
1:40 |
||||
|
Fryz90 |
900 |
24 |
2.2 |
12.6 |
1:60 |
60 |
65 |
|
40 |
3.0 |
13.5 |
1:36 |
||||
|
48 |
4.0 |
15.2 |
1:30 |
||||
|
Fryz120 |
1200 |
24 |
3.0 |
13.5 |
1:60 |
60 |
69 |
|
40 |
4.0 |
15.2 |
1:36 |
||||
|
Fryz180 |
1800 |
18 |
4.0 |
15.2 |
1:80 |
70 |
150 |
|
36 |
5.5 |
17.1 |
1:40 |
||||
|
Fryz250 |
2500 |
18 |
5.5 |
17.1 |
1:80 |
70 |
162 |
|
36 |
7.5 |
19.6 |
1:40 |
||||
|
Fryz350 |
3500 |
18 |
5.5 |
19.6 |
1.80 |
80 |
171 |
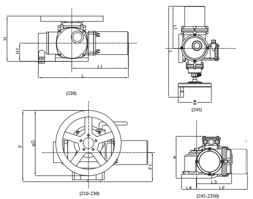
Kích thước
Fryz Viến động vật điện nhiều lượt

|
Người mẫu |
L |
L1 |
H |
H1 |
d2 |
F1 |
F2 |
φD |
|
Fryz10-15 |
382 |
228 |
233 |
87 |
45 |
150 |
203 |
300 |
|
Fryz20-30 |
435 |
278 |
248 |
90 |
39 |
157 |
210 |
350 |
|
Người mẫu |
H |
L |
L1 |
L2 |
L3 |
L4 |
φD |
|
Fryz45-60 |
338 |
708 |
335 |
401 |
305 |
115 |
250 |
|
Fryz90-120 |
347 |
795 |
390 |
423 |
312 |
135 |
250 |
|
Fryz180-250 |
408 |
825 |
445 |
462 |
347 |
165 |
350 |
|
Fryz350 |
408 |
905 |
530 |
462 |
347 |
165 |
350 |
Kích thước kết nối
Fryz Viến động vật điện nhiều lượt

Loại mô -men xoắn
|
Người mẫu |
Mã mặt bích |
D |
D1 |
D2 |
d2 |
d1 |
h |
h1 |
f |
b |
n-d |
|
Fryz5-15 |
2 |
145 |
120 |
90 |
45 |
30 |
8 |
2 |
5 |
12 |
4-M10 |
|
2(I) |
115 |
95 |
75 |
39 |
26 |
6 |
2 |
5 |
10 |
4-M8 |
|
|
Fryz20-30 |
3 |
185 |
160 |
125 |
58 |
42 |
10 |
2 |
5 |
15 |
4-M12 |
|
3(I) |
145 |
120 |
90 |
45 |
30 |
8 |
2 |
5 |
12 |
4-M10 |
|
|
Fryz45-60 |
4 |
225 |
195 |
150 |
72 |
50 |
12 |
2 |
5 |
20 |
4-M16 |
|
Fryz90-120 |
5 |
275 |
235 |
180 |
82 |
62 |
14 |
2 |
5 |
25 |
4-M20 |
|
5(I) |
230 |
195 |
150 |
72 |
50 |
12 |
2 |
5 |
20 |
4-M16 |
|
|
Fryz180-250 |
7 |
330 |
285 |
220 |
98 |
72 |
16 |
3 |
6 |
30 |
4-φ27 |
|
Fryz350-500 |
8 |
380 |
340 |
280 |
118 |
82 |
20 |
3 |
6 |
35 |
8-φ22 |
Loại lực đẩy
|
Người mẫu |
Mã mặt bích |
D |
D1 |
D2 |
D1 tối đa. |
n-d |
L |
f |
|
Fryz5-15 |
F10 |
125 |
102 |
70 |
T28 |
4-M10 |
40 |
3 |
|
Fryz20-30 |
F14 |
175 |
165 |
100 |
T40 |
4-M16 |
55 |
4 |
|
Fryz45-60 |
F16 |
210 |
254 |
130 |
T48 |
4-M20 |
70 |
5 |
|
Fryz90-120 |
F25 |
300 |
298 |
200 |
T60 |
8-M16 |
90 |
5 |
|
Fryz180-250 |
F30 |
350 |
356 |
230 |
T70 |
8-M20 |
130 |
5 |
|
Fryz350-500 |
F35 |
415 |
102 |
260 |
T80 |
8-M30 |
130 |
5 |
Bộ truyền động điện DZW


Van điện DZW

Ứng dụng hiện trường

Chú phổ biến: Bộ truyền động điện chống nổ trong nhà máy thép, Trung Quốc, nhà sản xuất, nhà cung cấp, nhà máy, mua, giá, báo giá
